首页
技术专题
人力资源
给我们留言
热点产品搜索:
首页
|
企业概况
|
新闻中心
|
产品展示
|
技术专题
|
企业业绩
|
服务中心
|
营销市场
|
资料下载
|
联系我们
▲ 当前位置:首页 > 产品目录 > 快速切断阀> ZDY250活塞切断阀
产品目录
技术专题
服务中心
资料下载
产品目录
大禹总部位于上海浦东新区大麦湾工业区, 生产基地位于南通东安科技工业园,是一家集研发、制造、营销为一体的科技型企业。
公司主导产品有电动/气动调节阀、自力式调节阀、耐腐蚀调节阀、特殊类调节阀、O型、V型球阀、补偿式半球阀、蝶阀、放料阀等38个系列400多个规格的产品,产品在石油、化工、冶金、电力、造纸、环保、轻工等行业中广泛应用。
调节阀
气动调节阀
电动调节阀
三通阀
气动三通阀
电动三通阀
球阀
气动球阀
电动球阀
蝶阀
气动蝶阀
电动蝶阀
超小流量
超小流量
电磁阀
电磁阀
耐腐蚀 衬氟
耐腐蚀 衬氟
快速切断阀
快速切断阀
放料阀
气动放料阀
电动放料阀
通风蝶阀
通风蝶阀
文丘里角阀
文丘里角阀
自力式调节阀
自力式调节阀
特殊阀门
特殊阀门
隔膜阀
隔膜阀
彼纹管 低温调节阀
彼纹管 低温调节阀
调节阀附件
调节阀附件
合作工程
ZDY250活塞切断阀
下一条:
ZDY薄膜切断阀
上一条:
ZDY125气动薄膜切断阀
产品简介
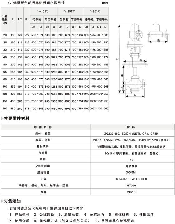
安装尺寸
技术参数
样本下载
产品概述
技术参数
安装示意图
现场案例
QDY647F气动切断阀
ZDY40气动薄膜切断
ZDY50快速切断阀
ZDY125气动薄膜切断阀
ZDY250活塞切断阀
公司概况
新闻资讯
产品中心
营销市场
服务中心
联系我们
公司简介
董事长致辞
企业宗旨
组织机构
公司荣誉
厂区概况
企业新闻
公司文艺角
行业动态
技术文章
调节阀
蝶阀
电磁阀
球阀
放料阀
刀型闸阀
自力式压力调节阀
衬氟及塑料阀门
工艺阀门
执行机构
营销市场
营销网络
服务中心
服务承诺
联系我们
留言中心
Copyright (c) 2016 上海大禹自控阀门有限公司
沪ICP备15052615号
技术支持:控制阀网